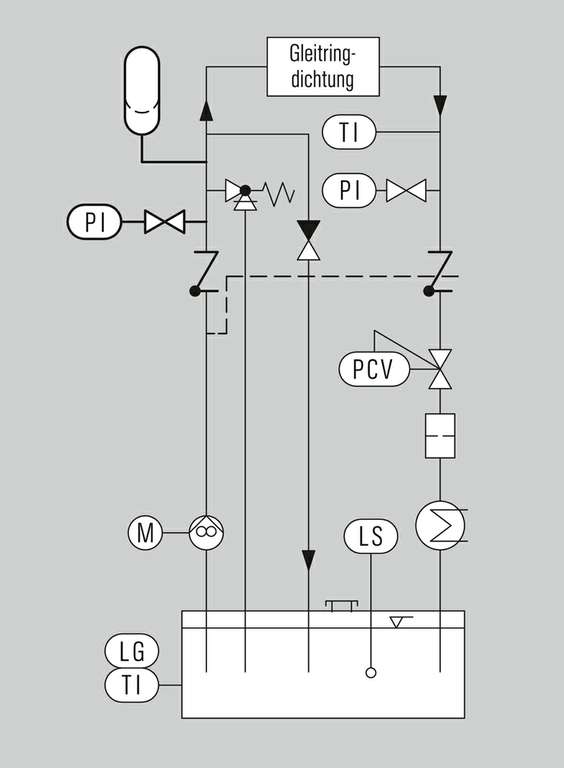
DHE Druckhalteeinheit
Installation, Details, Optionen

Für eine größere Ansicht bitte die Maus über das Bild bewegen.
Funktions- und Installationsschema einer SPA-Anlage mit einer DHE